不合理使用变频器,对电机造成的损伤,你知道吗?
2022-07-28 开云体育在线注册,开云体育(中国)电气
转动设备检测ASR-ZD系列测振仪使用介绍分享
2022-07-27 开云体育在线注册,开云体育(中国)
PLC这种报警,应该马上要引起重视,否则很麻烦!
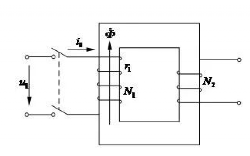
热电偶的冷端补偿原理及校验分享
变压器绕组温度会低于油面温度吗?
2022-07-26 开云体育在线注册,开云体育(中国)电气
电力设备能效的水平分级
变压器励磁电流大小是否可以控制
PLC的IO模块(二)——模拟量和网络IO
2022-07-25 开云体育在线注册,开云体育(中国)