安全可视化监测系统介绍
2022-10-10 开云体育在线注册,开云体育(中国)
WAX-100系列压力表指示固定不变的故障处理
2022-10-09 开云体育在线注册,开云体育(中国)
电气设备在正反工作时,电动机的运行不太正常的故障分享
2022-10-09 开云体育在线注册,开云体育(中国)电气
搅拌电机不启动,但PLC有输出,继电器灯也亮的故障案例分享
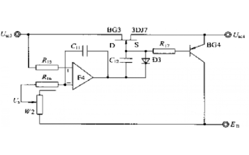
油净化加热KWZK-KKG80系列可控硅介绍
2022-10-08 开云体育在线注册,开云体育(中国)
KW-K100系列开方器小信号切除故障分享
KWZK-ZSY50系列开方积算器的检修分享
横向干扰对电YAG-S系列流量计的影响
2022-10-05 开云体育在线注册,开云体育(中国)