新闻动态
开云体育在线注册,开云体育(中国)
开云体育在线注册,开云体育(中国)
关于我们
公司简介
在线反馈
联系我们
产品展示
全部
传感器/变送器
流量计系列
液位/料位系列
阀门/执行装置
液压/气动元件
检维修工器具
化验/分析仪器
其他机电仪产品
新闻动态
全部
行业知识
企业新闻
资料下载
客户案例
新闻动态
推荐
热门
最新
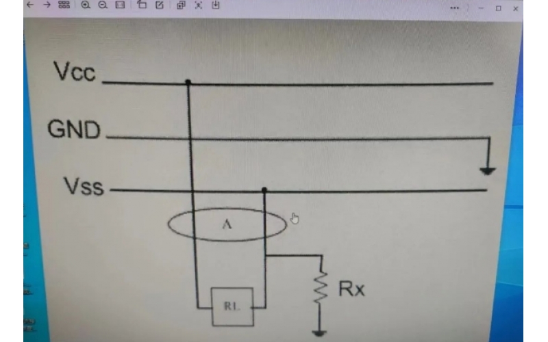
便携式直流接地故障点查找仪工作原理
便携式直流接地故障点查找仪工作原理
2023-09-28
开云体育在线注册,开云体育(中国)
上一页
1
下一页
转至第
首页
产品
新闻
联系
时博体育App下载
|
完美体育在线注册
|
华体会网页版登录入口
|
华亿在线平台
|
开云平台
|
万搏网页版登录入口
|
天博体育
|
安博体育在线注册
|
开云在线平台
|